Our Location
304 North Cardinal St.
Dorchester Center, MA 02124






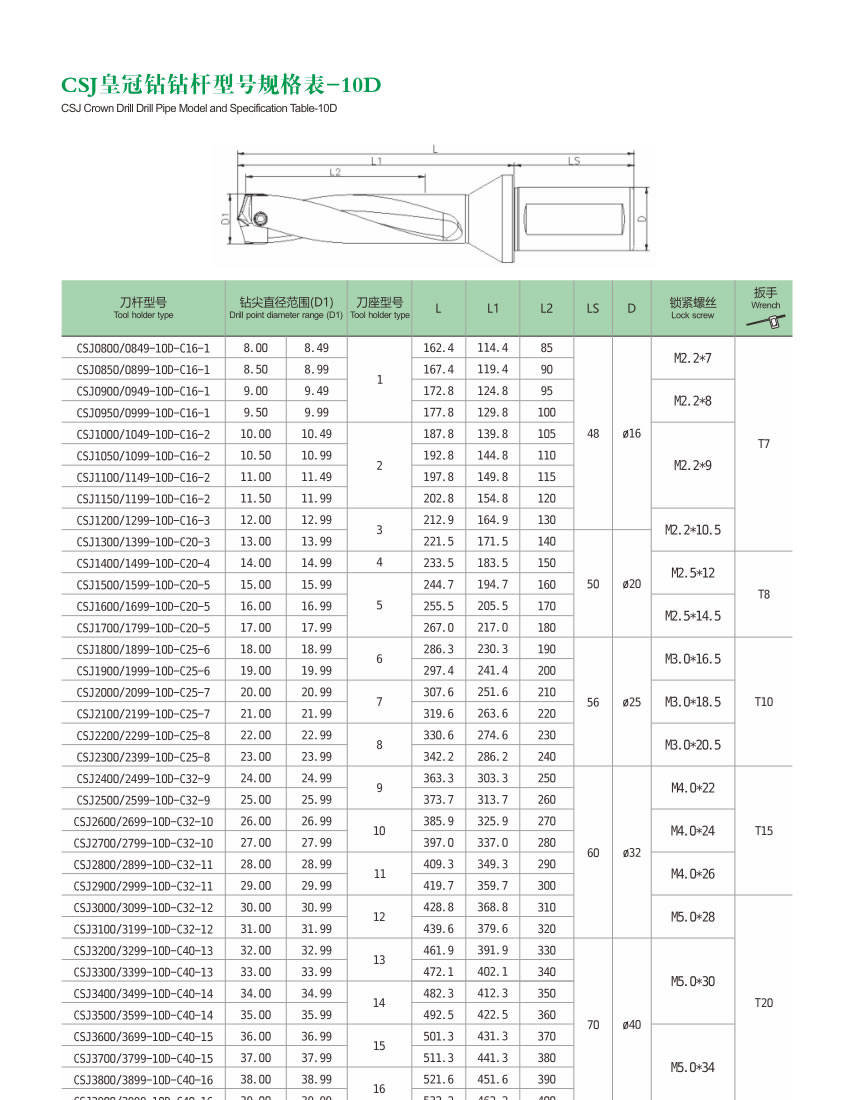
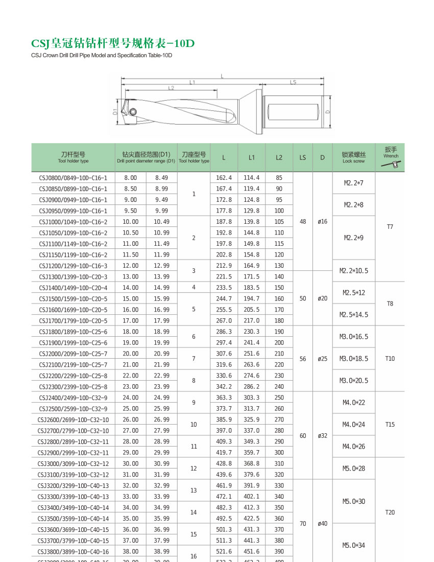
The tool body is made of high-quality tool steel that has undergone special heat treatment, with the entire surface treated by coating, which is wear-resistant and rustproof. HB type side-fixed tool holder and sturdy flanged tool body to reduce vibration or jitter.

Only logged in customers who have purchased this product may leave a review.
Reviews
There are no reviews yet.